Restore
ကုမ္ပဏီသတင်း

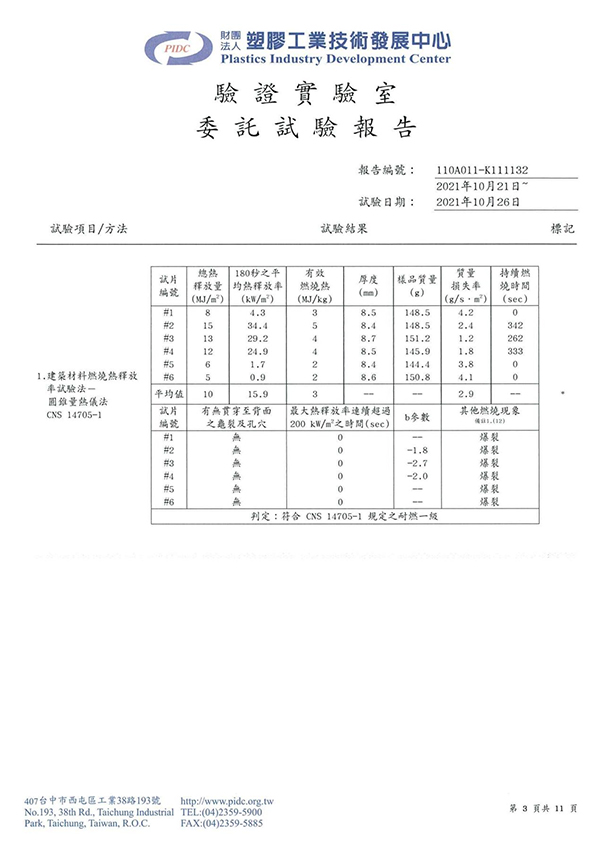
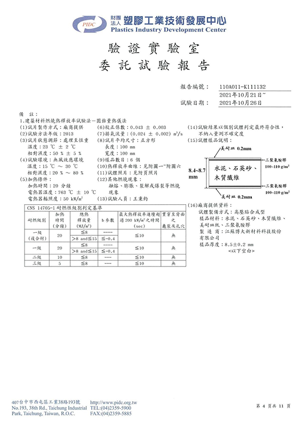
ကျွန်ုပ်တို့၏ မီးဘေးဒဏ်ခံဘုတ်အဖွဲ့သည် ထိုင်ဝမ်တွင် CNS 14705-1 စမ်းသပ်မှုကို အောင်မြင်စွာ အောင်မြင်စွာ အောင်မြင်ခဲ့သည်။

2022-01-12

ကျွန်ုပ်တို့၏ မီးဘေးဒဏ်ခံဘုတ်အဖွဲ့သည် ထိုင်ဝမ်တွင် CNS 14705-1 စမ်းသပ်မှုကို အောင်မြင်စွာ အောင်မြင်ခဲ့သည်။


+86-519-88503010
ellie@jsbd.com